Наверх

Лебёдка электрическая (индустр.) 24V Runva EWN15000USR24V 6800 кг синтетический трос

Артикул: av_EWN15000USR24V
Наличие: Доставка 2-3 дня
Цена: 85 320
Промышленная электрическая лебедка Runva серии EWN с тяговым усилием 6800 кг (15000 lbs) предназначена для применения на легковых и грузовых эвакуаторах, тягачах, грузовых автомобилях, вездеходах и другой специализированной технике. Предназначена для питания от автомобильных бортовых сетей 24В и рассчитана на эксплуатацию в тяжелых условиях и при высоких нагрузках.

Основные характеристики

  • Артикул EWN15000U24V
  • Тяговое усилие, фунты 15000
  • Тип Электрическая
  • Напряжение питания, В 24
  • Редуктор 3-ступенчатый, планетарный
  • Передаточное отношение 446:1
  • Производитель Runva
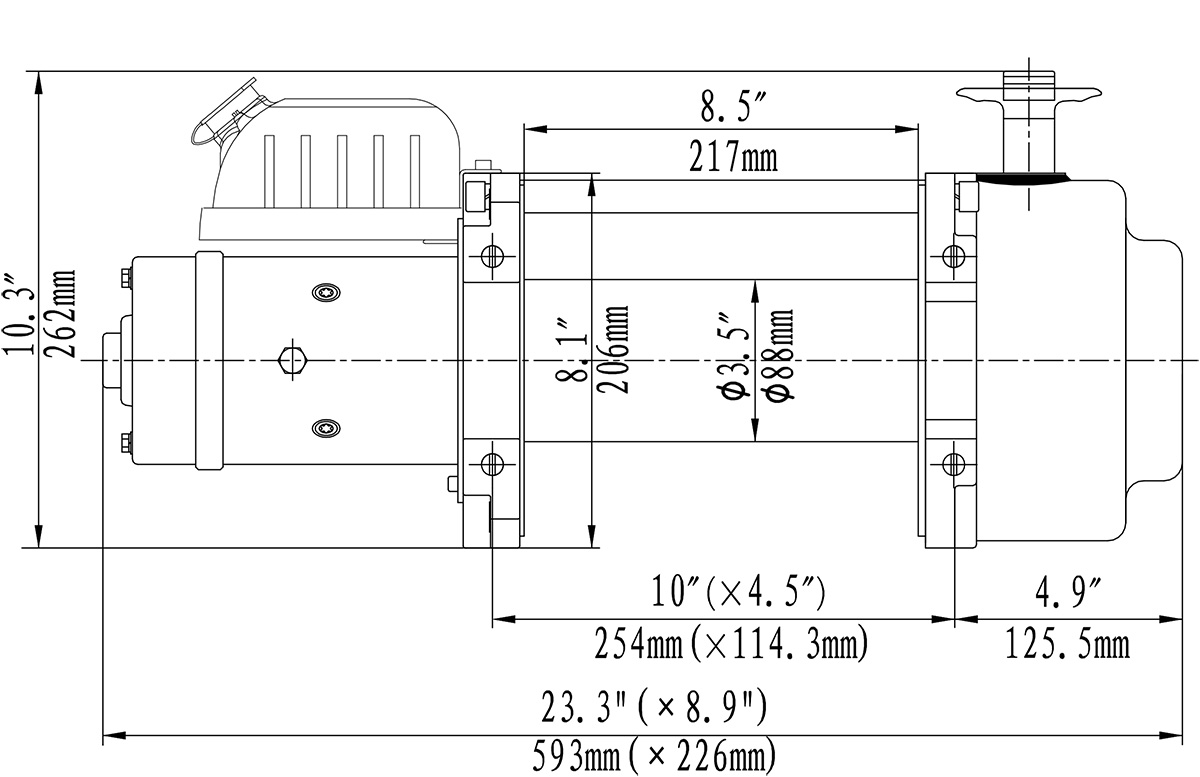
  • Размеры (Д х Ш х В) мм 593x226x316
  • Вес (кг) 74,1
  • Трос Синтетика, диаметр 14 мм, длина 25 м
  • Монтажный размер: 254х114,3 мм (4-М12)

Максимальное усилие для слоёв троса на барабане лебедки Runva EWN15000U 24в

Слой Макс. нагрузка lb / Kг Остаток троса на барабане м.
1 15000 / 6804 6.0
2 12000 / 5443 13.0
3 10000 / 4536 21.0
4 8000 / 3629 28.0

Производительность автомобильной электрической лебедки Runva EWN15000U 24в

Нагрузка Lbs(Kг) Скорость намотки м/мин Потребление тока, А
Без нагрузки 4.6 40
8000 / 3629 2.5 145
10000 / 4536 1.9 170
12000 / 5443 1.7 200
15000 / 6804 1.3 233

 

Гарантийные условия:

  • Гарантийный срок эксплуатации - 1 год
  • Гарантия не распространяется на мотор, трос и ролики (клюз) лебедки

Данные для транспортной компании

  • Габариты упаковки, мм: 680x360x355
  • Вес Брутто, кг: 60